YBZL系列防爆三相异步振动电机能在特定的危险环境中安全运行。电机外壳防护等级为IP65,绝缘等级为F级,防爆标志为Ex d IIB T4 Gb/Ex tD A21 IP65 T130℃。
Ⅰ类电气设备用于煤矿瓦斯气体环境。
Ⅱ类电气设备用于除煤矿瓦斯气体之外的其他爆炸性气体环境。
Ⅱ类电气设备的再分类: ⅡA类:代表性气体是丙烷; ⅡB类:代表性气体是乙烯; ⅡC类:代表性气体是氢气。
Ⅲ类电气设备用于除煤矿以外的爆炸性粉尘环境。
Ⅲ类电器设备按照其拟使用的爆炸性粉尘环境的特性方可进一步在分类。
Ⅲ类电气设备的再分类: Ⅲ类A类:可燃性飞絮; Ⅲ类B类:非导电性粉尘; Ⅲ类C类:导电性粉尘。
标志为ⅡB的设备可适用于ⅡA设备使用条件, 标志ⅡC的设备可适用于ⅡA、ⅡB设备的使用条件。
YBZ粉尘防爆3C认证
YBZ气体防爆3C认证
YBZ隔爆3C认证
YBZ隔爆3C认证
1.环境温度:-20℃~40℃ 2.海 拔:<1000米 3.接 法:Y 4.绝缘等级:F级 5.防护等级:IP55/IP65 6.工作方式:连续(S1) 7.安装方式:任意方向
| 爆炸性气体或蒸汽的类别和温度的组别 | |||||||
| 温度组别 | T1 | T2 | T3 | T4 | T5 | T6 | |
| 类别 | Ⅰ | 甲烷(沼气) | — | — | — | — | — |
| ⅡA | 醋酸、丙酮、乙腈、烯丙铣、氨、苯胺、苯乙烯、苯、甲基苯乙烯、三甲苯、戊-2-铜、(甲基丙基甲铜)、甲酚、溴乙烷、异丁烷丁茜化物、氯甲烷、丙烷、氯乙烷、石油、氮(杂) | 环丙炔、甲基环戊烷、丙酸、乙烷、甲醇、甲酸甲酯、醋酸乙酯、环氧乙烷、二乙丙醚、丙醇、环己铜、乙烯、呋喃、丁烷、甲胺、氯乙醇、丙烯酸乙脂 | 戊烷、甲基环己烷、石油(包括汽油)、石脑油、柴油、煤油、己烷、乙硫醇、戊醇、氯丁烷、四氯噻吩 | 乙醛 | — | — | |
| ⅡB | 丙炔、(甲基乙烷)、环丙炔、丙烯腊、氯化氢、焦炉煤气 | 丁二烯-1,3、环氧乙烷、丙烯酸甲酯、呋喃、乙烯 | 二甲醚、甲氢化呋喃甲醇、丁烯醛乙硫醇 | 乙基甲基醚、二乙醚、二丁醚、四氯乙烯 | — | — | |
| ⅡC | 氢气 | 乙炔 | — | 二硫化碳 | — | ||
YBZL系列防爆三相异步振动电机能在特定的危险环境中安全运行。电机外壳防护等级为IP55/IP65,绝缘等级为F级,防爆标志为Ex d IIB T4 Gb/Ex tD A21 IP65 T130℃。分别适用于工厂ⅡB级T4组别可燃性气体或蒸气与空气形成的爆炸性混合物的场所和存在有可燃性粉尘的A类21区域。作为激 振源,该机在激振力调节范围内可无级调节激振力的大小,产品畅销全国,远销欧亚、中东地区。
该系列电机采用先进技术设计,使用材料制造,具有外形美观、性能优良、维护方便、运行可靠等优点。是粉状、粒状、块状物料机械化输送、给料、破碎、筛分、填充、振实、造型、落砂、料仓防闭塞等振动机械激振源。该机品种丰富,规格齐全,能满足各类振动机械的工作需要。
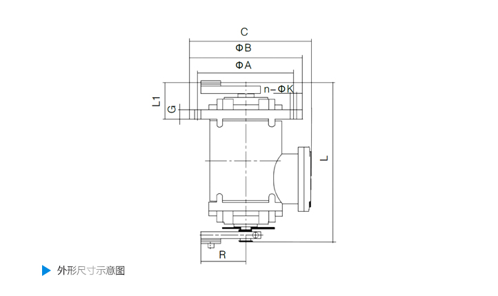
| 规格型号 | 额定激振力(kN) | 额定功率(kW) | 转速(r.p.m) | 安装尺寸(mm) | 外形尺寸(mm) | 重量(kg) | |||||||
| A | n | k | G | L | B | C | L1 | R | |||||
| 1005-4 | 5 | 0.25 | 1500 | 210 | 3 | 12 | 20 | 361 | 240 | 283 | 106.5 | 115 | 35 |
| 1208-4 | 8 | 0.37 | 235 | 6 | 14 | 25 | 424 | 270 | 314 | 110.5 | 125 | 48 | |
| 1420-4 | 20 | 1.1 | 265 | 8 | 18 | 25 | 444 | 313 | 345.5 | 128 | 170 | 70 | |
| 1630-4 | 30 | 1.5 | 315 | 8 | 22 | 25 | 495 | 360 | 429 | 137.5 | 230 | 110 | |