适用设备:振动筛分设备、振动输送机、振动给料机、振动放矿机、振动干燥设备、振动落砂机、振实台、料仓振动防闭塞装置等各种振动机械设备理想的动力源和激振源。
MVE系列振动电机产品广泛用于冶金、矿山、煤炭、化工、 电力、建材、铸造、磨料、陶瓷、玻璃、粮食、食品、医药、轻工等行业,是振动筛分设备、振动输送机、振动给料机、振动放矿机、振动干燥设备、振动落砂机、振实台、料仓振动防闭塞装置等各种振动机械设备理想的动力源和激振源。
海拔高度不超过1000米,环境温度不超过40宅,相对湿度不超过90%(温度不超过25它时),否则应降低功率使用;主机激振功率和运行电流不超过铭牌数值,否则应降低激振力使用。
应用范围:振动筛分设备、振动输送机、振动给料机、振动放矿机、振动干燥设备、振动落砂机、振实台、料仓振动防闭塞装置等各种振动机械设备理想的动力源和激振源。
振动电机由特制电机外加激振重块组成。当电机通电旋转时,激振块产生激 振力,通过电机底脚或法兰盘传递纵横振动机械。
特制电机由特制定子线包和转子轴组成,能承受高频振动;立式振动电机,采用两块偏心块作为激振块,两轴端各—块,上轴端为固定偏心块,下轴端为可调偏心块。在上下偏心块的端部各装有一组配重块,通过调节配重块的数量,可以分级调节振动电机的激振力;卧式振动电机采用四块扇形偏心块作激振块,调节同轴端两块偏心块的夹角,可以从零至大调节振动电机的激振力。
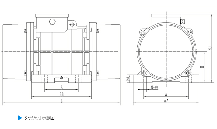
| 型号 | 大激振力(kN) | 额定功率(kW) | 电流(A) | 转速(r.p.m) | 外形安装尺寸(mm) | 重量(kg) | |||||||||
| A | B | H | AA | BB | HA | HD | L | N | K | ||||||
| MVE-60/3 | 0.7 | 0.03 | 0.16 | 3000 | 106 | 62-74 | 64 | 131 | 123 | 15 | 159 | 231 | 4 | 9 | 4.2 |
| MVE-100/3 | 1 | 0.04 | 0.19 | 106 | 62-74 | 64 | 131 | 123 | 15 | 159 | 231 | 4 | 9 | 4.6 | |
| MVE-200/3 | 2 | 0.09 | 0.35 | 106 | 62-74 | 64 | 131 | 123 | 15 | 159 | 231 | 4 | 9 | 6.8 | |
| MVE-300/3 | 3 | 0.16 | 0.52 | 125 | 90 | 80 | 155 | 160 | 15 | 183 | 303 | 4 | 12 | 9.8 | |
| MVE-400/3 | 4 | 0.2 | 0.58 | 125 | 90 | 80 | 155 | 163 | 15 | 175 | 273 | 4 | 13 | 10.3 | |
| MVE-500/3 | 5 | 0.37 | 0.96 | 170 | 120 | 94 | 208 | 205 | 22 | 210 | 362 | 4 | 17 | 15.8 | |
| MVE-700/3 | 7 | 0.45 | 1.25 | 170 | 120 | 94 | 208 | 205 | 22 | 210 | 362 | 4 | 17 | 16.5 | |
| MVE-800/3 | 8 | 0.55 | 1.45 | 170 | 120 | 94 | 208 | 205 | 22 | 210 | 362 | 4 | 17 | 20.6 | |
| MVE-1200/3 | 10 | 0.75 | 1.85 | 170 | 120 | 94 | 208 | 205 | 22 | 210 | 362 | 4 | 17 | 21.6 | |
| MVE-1300/3 | 13 | 1.1 | 2.44 | 170 | 120 | 94 | 208 | 205 | 22 | 210 | 362 | 4 | 17 | 24.5 | |
| MVE-1600/3 | 16 | 1.25 | 2.94 | 190 | 140 | 120 | 229 | 225 | 30 | 247 | 421 | 4 | 17 | 51.6 | |
| MVE-1800/3 | 18 | 1.5 | 3.75 | 190 | 140 | 120 | 229 | 225 | 30 | 247 | 421 | 4 | 17 | 52 | |
| MVE-2000/3 | 20 | 2 | 4.07 | 190 | 140 | 120 | 229 | 225 | 30 | 247 | 421 | 4 | 17 | 51.8 | |
| MVE-2200/3 | 22 | 2 | 4.07 | 190 | 140 | 120 | 229 | 225 | 30 | 247 | 421 | 4 | 17 | 52.8 | |
| MVE-2300/3 | 23 | 2 | 4.44 | 190 | 140 | 120 | 229 | 225 | 30 | 247 | 421 | 4 | 17 | 53.6 | |
| MVE-3200/3 | 32 | 2.2 | 5.3 | 255 | 155 | 147 | 302 | 288 | 35 | 318 | 553 | 4 | 23.5 | 96.9 | |
| MVE-4000/3 | 40 | 2.3 | 5.3 | 255 | 155 | 147 | 302 | 288 | 35 | 318 | 553 | 4 | 23.5 | 107 | |
| MVE-5000/3 | 50 | 3.5 | 7.22 | 255 | 155 | 147 | 302 | 288 | 35 | 318 | 553 | 4 | 23.5 | 111.2 | |
| MVE-40/15 | 0.3 | 0.03 | 0.26 | 1500 | 106 | 62-74 | 61 | 125 | 123 | 30 | 153 | 211 | 4 | 9 | 4.6 |
| MVE-90/15 | 0.9 | 0.04 | 0.31 | 106 | 62-74 | 61 | 125 | 123 | 30 | 153 | 211 | 4 | 9 | 7.4 | |
| MVE-200/15 | 2 | 0.06 | 0.49 | 125 | 90 | 80 | 155 | 163 | 15 | 175 | 273 | 4 | 13 | 11.8 | |
| MVE-250/15 | 2.5 | 0.07 | 0.54 | 125 | 90 | 80 | 155 | 163 | 15 | 175 | 273 | 4 | 13 | 13.2 | |
| MVE-300/15 | 3 | 0.08 | 0.62 | 125 | 90 | 80 | 155 | 163 | 15 | 175 | 273 | 4 | 13 | 16.5 | |
| MVE-400/15 | 4 | 0.15 | 0.84 | 170 | 120 | 94 | 208 | 205 | 22 | 210 | 362 | 4 | 17 | 19.5 | |
| MVE-500/15 | 5 | 0.25 | 1.06 | 170 | 120 | 94 | 208 | 205 | 22 | 210 | 362 | 4 | 17 | 21 | |
| MVE-700/15 | 7 | 0.37 | 1.32 | 170 | 120 | 94 | 208 | 205 | 22 | 210 | 362 | 4 | 17 | 27.4 | |
| MVE-800/15 | 8 | 0.4 | 1.36 | 170 | 120 | 94 | 208 | 205 | 22 | 210 | 362 | 4 | 17 | 28.3 | |
| MVE-1100/15 | 11 | 0.4 | 1.4 | 170 | 120 | 94 | 208 | 205 | 22 | 210 | 362 | 4 | 17 | 35.8 | |
| MVE-1400/15 | 14 | 0.45 | 1.78 | 190 | 140 | 120 | 229 | 220 | 30 | 247 | 416 | 4 | 17 | 50.8 | |
| MVE-1700/15 | 17 | 0.75 | 2.09 | 190 | 140 | 120 | 229 | 220 | 30 | 247 | 416 | 4 | 17 | 61.8 | |
| MVE-2400/15 | 24 | 1 | 3.2 | 190 | 140 | 120 | 229 | 220 | 30 | 247 | 416 | 4 | 17 | 68 | |
| MVE-2500/15 | 25 | 1.2 | 3.4 | 255 | 155 | 147 | 302 | 273 | 35 | 318 | 588 | 4 | 23.5 | 90 | |
| MVE-3000/15 | 30 | 1.5 | 3.68 | 255 | 155 | 147 | 302 | 273 | 35 | 318 | 588 | 4 | 23.5 | 97.5 | |
| MVE-3800/15 | 38 | 2.3 | 4.15 | 255 | 155 | 147 | 302 | 273 | 35 | 318 | 588 | 4 | 23.5 | 130.4 | |
| MVE-4300/15 | 43 | 1.94 | 4.5 | 255 | 155 | 147 | 302 | 273 | 35 | 318 | 588 | 4 | 23.5 | 130.4 | |