
● 体积小,重量轻,结构简单,安装方便,维修少,费用低。
● 利用特制振动电机自同步原理,工作稳定,起动迅速,停车平衡。
● 物料按抛物线轨迹连续向前跳跃运动,因此给料槽磨损较小。
● 由于可以瞬时的改变和启闭料流,所以给料量有较高的精度。
ZG系列电机振动给料机是一种渐趋标准化的通用给料设备,广泛用于相关行业对各种块状及颗粒状粉状物料的短距离输送。该机能很好地与皮带机等连续输送设备、自动称配及定量包装等系统实现联机和自动化作业,是冶金、矿山、煤炭、建材、化工、电力及粮食加工等行业选用的较理想的给料和输送设备。
ZG系列电机振动给料机与各种电磁振动给料机、往复给料机相比,具有结构简单紧凑、坚固耐用及给料连续均匀、料槽磨损小、使用寿命长与维修方便等特点,该机根据现场作业环境要求有敞开型和封闭型两种结构形式,电机可分别布置在上部、下部或侧面,形成三种不同的振源安装位置形式。
根据用户和现场作业需要,该机可使用座式或吊挂式安装及决定是否配置调控闸门、作业平台等接口设施。
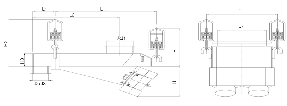
外形尺寸(封闭型)
外形尺寸(敞开型)
外形尺寸(封闭型)
| 型号 | L(mm) | L1(mm) | L2(mm) | B(mm) | B1(mm) | H(mm) | H1(mm) | H2(mm) | H3(mm) | J×J1(mm) | J2×J3(mm) |
| ZGF-25 | 780 | 260 | 720 | 466 | 340 | 386 | 450 | 300 | 200 | 200×340 | 200×340 |
| ZGF-50 | 1183 | 205 | 1000 | 700 | 500 | 470 | 610 | 400 | 220 | 220×500 | 220×500 |
| ZGF-100 | 1160 | 260 | 1000 | 920 | 700 | 590 | 800 | 530 | 256 | 250×700 | 250×700 |
| ZGF-150 | 1350 | 350 | 1200 | 970 | 750 | 600 | 800 | 530 | 250 | 250×750 | 250×750 |
| ZGF-200 | 1350 | 350 | 1200 | 1020 | 800 | 670 | 800 | 470 | 258 | 250×800 | 250×800 |
| ZGF-250 | 1465 | 392 | 1400 | 1152 | 920 | 660 | 650 | 400 | 250 | 250×920 | 250×920 |
| ZGF-300 | 1486 | 422 | 1400 | 1018 | 900 | 660 | 1000 | 750 | 250 | 300×900 | 300×900 |
| ZGF-400 | 1553 | 400 | 1500 | 1072 | 950 | 680 | 1200 | 780 | 310 | 300×950 | 300×950 |
| ZGF-750 | 1900 | 400 | 1500 | 2030 | 1500 | 980 | 1400 | 900 | 400 | 400×1500 | 400×1500 |
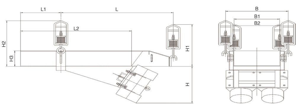
外形尺寸(敞开型)
| 型号 | L(mm) | L1(mm) | L2(mm) | B(mm) | B1(mm) | B2(mm) | H(mm) | H1(mm) | H2(mm) | H3(mm) |
| ZG-25 | 935 | 200 | 820 | 466 | 340 | 338 | 386 | 340 | 440 | 150 |
| ZG-50 | 1000 | 220 | 1015 | 700 | 500 | 506 | 470 | 400 | 706 | 206 |
| ZG-100 | 1160 | 260 | 1150 | 920 | 700 | 706 | 590 | 480 | 480 | 250 |
| ZG-150 | 1350 | 350 | 1335 | 970 | 750 | 750 | 600 | 600 | 680 | 250 |
| ZG-200 | 1268 | 350 | 1335 | 832 | 800 | 784 | 670 | 700 | 700 | 250 |
| ZG-250 | 1465 | 392 | 1540 | 1152 | 920 | 1052 | 660 | 400 | 400 | 250 |
| ZG-300 | 1465 | 392 | 1540 | 1018 | 900 | 1052 | 660 | 400 | 400 | 250 |
| ZG-400 | 1553 | 400 | 1680 | 1072 | 950 | 934 | 680 | 1068 | 1068 | 300 |
| ZG-750 | 1900 | 750 | 2300 | 2030 | 1500 | 1500 | 980 | 1000 | 1000 | 400 |
| 型 号 | 大入料粒度(mm) | 处理量(t/h) | 振动电机型号 | 功率( kW ) | 振频(Hz) | 双振幅(mm) | 激振力(kN) | 重量(kg) | 单点动载荷 (N) | ||
| 封闭 | 敞开 | 封闭 | 敞开 | ||||||||
| ZG/F-25 | 80 | 25 | YZO-2.5-4 | 0.18×2 | 25 | 4~6 | 2.5×2 | 220 | 200 | 165 | 160 |
| ZG/F-50 | 120 | 50 | YZO-5-6 | 0.4×2 | 16 | 5~8 | 5×2 | 336 | 290 | 800 | 786 |
| ZG/F-100 | 170 | 100 | YZO-10-4 | 0.55×2 | 25 | 4~6 | 10×2 | 500 | 450 | 480 | 475 |
| ZG/F-150 | 180 | 150 | YZO-15-6 | 1.1×2 | 16 | 5~8 | 15×2 | 605 | 553 | 1440 | 1320 |
| ZG/F-200 | 200 | 200 | YZO-20-4 | 1.1×2 | 25 | 4~6 | 20×2 | 720 | 667 | 840 | 810 |
| ZG/F-250 | 210 | 250 | YZO-20-6 | 1.5×2 | 16 | 5~8 | 20×2 | 840 | 782 | 1200 | 1098 |
| ZG/F-300 | 220 | 300 | YZO-20-6 | 1.5×2 | 16 | 5~8 | 20×2 | 910 | 830 | 1186 | 1123 |
| ZG/F-400 | 230 | 400 | YZO-25-6 | 1.8×2 | 16 | 5~8 | 25×2 | 1030 | 980 | 1800 | 1720 |
| ZG/F-750 | 350 | 750 | YZO-40-6 | 3×2 | 16 | 5~8 | 40×2 | 1645 | 1560 | 2400 | 2285 |
我们不仅仅服务于500强企业 ……无论您在何地,我们都提供完善的服务与支持。
400电话