适用设备:振动筛分设备、振动输送机、振动给料机、振动放矿机、振动干燥设备、振动落砂机、振实台、料仓振动防闭塞装置等各种振动机械设备理想的动力源和激振源。
VB系列振动电机产品广泛用于冶金、矿山、煤炭、化工、 电力、建材、铸造、磨料、陶瓷、玻璃、粮食、食品、医药、轻工等行业,是振动筛分设备、振动输送机、振动给料机、振动放矿机、振动干燥设备、振动落砂机、振实台、料仓振动防闭塞装置等各种振动机械设备理想的动力源和激振源。
海拔高度不超过1000米,环境温度不超过40宅,相对湿度不超过90%(温度不超过25它时),否则应降低功率使用;主机激振功率和运行电流不超过铭牌数值,否则应降低激振力使用。
应用范围:振动筛分设备、振动输送机、振动给料机、振动放矿机、振动干燥设备、振动落砂机、振实台、料仓振动防闭塞装置等各种振动机械设备理想的动力源和激振源。
振动电机由特制电机外加激振重块组成。当电机通电旋转时,激振块产生激 振力,通过电机底脚或法兰盘传递纵横振动机械。
特制电机由特制定子线包和转子轴组成,能承受高频振动;立式振动电机,采用两块偏心块作为激振块,两轴端各—块,上轴端为固定偏心块,下轴端为可调偏心块。在上下偏心块的端部各装有一组配重块,通过调节配重块的数量,可以分级调节振动电机的激振力;卧式振动电机采用四块扇形偏心块作激振块,调节同轴端两块偏心块的夹角,可以从零至大调节振动电机的激振力。
3相2极参数表
|
型号 (Type) |
激振力(kN) |
转速 (r/min) |
功率(KW) | 电流(A) | 外形安装尺寸(mm) | 图号 | ||||||||||
| A | B | AB | BB | D | L | J | G | H | HD | d | ||||||
| VB-112-W | 1.1 | 2805 | 0.09 | 0.29 | 106 | 64 | 130 | 104 | 93 | 195 | 30 | 9 | 65 | 155 | 9.5 | 图1 |
| VB-322-W | 3 | 2600 | 0.20 | 0.55 | 160 | 90 | 190 | 130 | 123 | 325 | 50 | 14 | 70 | 180 | 14 | 图1 |
| VB-552-W | 5 | 2875 | 0.50 | 1.39 | 170 | 120 | 220 | 165 | 138 | 315 | 55 | 16 | 85 | 206 | 18 | 图1 |
| VB-1082-W | 10 | 2810 | 0.75 | 1.70 | 200 | 140 | 250 | 200 | 173 | 350 | 60 | 18 | 105 | 240 | 22 | 图1 |
| VB-10102-W | 10 | 2880 | 1.0 | 2.35 | 200 | 140 | 250 | 190 | 173 | 345 | 60 | 18 | 105 | 240 | 22 | 图1 |
| VB-20182-W | 20 | 2850 | 1.8 | 4.13 | 260 | 200 | 320 | 290 | 213 | 530 | 70 | 22 | 140 | 300 | 26 | 图1 |
| VB-40302-W | 40 | 2870 | 3.0 | 6.20 | 350 | 220 | 430 | 320 | 224 | 590 | 100 | 33 | 185 | 355 | 38 | 图1 |
3相4极参数表
|
型号 (Type) |
激振力(kN) |
转速 (r/min) |
功率(KW) | 电流(A) | 外形安装尺寸(mm) | 图号 | ||||||||||
| A | B | AB | BB | D | L | J | G | H | HD | d | ||||||
| VB-314-W | 2.5 | 1400 | 0.12 | 0.57 | 160 | 100 | 190 | 145 | 178 | 295 | 40 | 14 | 96 | 214 | 14 | 图1 |
| VB-534-W | 5 | 1400 | 0.25 | 1.02 | 180 | 110 | 220 | 140 | 203 | 295 | 50 | 15 | 112 | 247 | 14 | 图1 |
| VB-634-W | 6 | 1450 | 0.30 | 0.93 | 200 | 110 | 240 | 155 | 203 | 330 | 55 | 16 | 112 | 247 | 18 | 图1 |
| VB-1054-W | 10 | 1420 | 0.50 | 1.51 | 220 | 110 | 270 | 155 | 224 | 340 | 60 | 18 | 123 | 265 | 22 | 图1 |
| VB-1264-W | 12 | 1440 | 0.60 | 1.82 | 220 | 145 | 270 | 190 | 224 | 445 | 60 | 18 | 123 | 278 | 22 | 图1 |
| VB-1584-W | 15 | 1430 | 0.75 | 1.94 | 220 | 145 | 270 | 190 | 224 | 445 | 60 | 18 | 123 | 278 | 22 | 图1 |
| VB-20114- W | 20 | 1430 | 1.10 | 2.75 | 220 | 160 | 270 | 220 | 254 | 485 | 60 | 22 | 140 | 295 | 26 | 图1 |
| VB-32154-W | 31.5 | 1450 | 1.50 | 3.76 | 260 | 180 | 320 | 240 | 299 | 515 | 70 | 24 | 168 | 343 | 26 | 图1 |
| VB-50234-W | 50 | 1450 | 2.25 | 5.55 | 350 | 220 | 430 | 330 | 364 | 565 | 100 | 30 | 192 | 292 | 38 | 图1 |
| VB-75374-W | 75 | 1455 | 3.7 | 8.34 | 380 | 125 | 460 | 330 | 394 | 600 | 105 | 35 | 210 | 426 | 38 | 图2 |
| VB-80554-W | 80 | 1445 | 5.5 | 11.39 | 305 | 125 | 360 | 356 | 364 | 690 | 81.5 | 30 | 192 | 392 | 26 | 图2 |
| VB-84554-W | 84 | 1455 | 5.5 | 11.5 | 380 | 125 | 460 | 390 | 394 | 720 | 140 | 35 | 210 | 415 | 38 | 图2 |
| VB-100634-W | 100 | 1460 | 6.3 | 12.62 | 440 | 140 | 530 | 450 | 454 | 795 | 125 | 36 | 240 | 486 | 45 | 图2 |
| VB-145894-W | 145 | 1460 | 8.9 | 17.59 | 440 | 140 | 530 | 450 | 454 | 805 | 125 | 36 | 240 | 486 | 45 | 图2 |
3相6极参数表
|
型号 (Type) |
激振力(kN) |
转速 (r/min) |
功率(KW) | 电流(A) | 外形安装尺寸(mm) | 图号 | ||||||||||
| A | B | AB | BB | D | L | J | G | H | HD | d | ||||||
| VB-326-WC | 3 | 950 | 0.20 | 0.82 | 140 | 100 | 170 | 145 | 180 | 330 | 40 | 14 | 96 | 214 | 13 | 图1 |
| VB-326-W | 3 | 950 | 0.20 | 0.82 | 160 | 100 | 190 | 145 | 180 | 330 | 40 | 14 | 96 | 214 | 14 | 图1 |
| VB-546-WB | 5 | 955 | 0.38 | 1.21 | 180 | 110 | 220 | 155 | 223 | 335 | 55 | 16 | 130 | 265 | 13 | 图1 |
| VB-546-W | 5 | 955 | 0.38 | 1.21 | 200 | 110 | 240 | 155 | 223 | 335 | 55 | 16 | 123 | 255 | 22 | 图1 |
| VB-1076-W | 10 | 960 | 0.70 | 2.14 | 220 | 160 | 270 | 220 | 254 | 450 | 60 | 22 | 140 | 295 | 26 | 图1 |
| VB-1586-W | 15 | 970 | 0.75 | 1.99 | 220 | 160 | 270 | 220 | 254 | 515 | 60 | 22 | 140 | 295 | 26 | 图1 |
| VB-20156- W | 20 | 965 | 1.52 | 3.99 | 260 | 180 | 320 | 240 | 299 | 540 | 70 | 24 | 168 | 343 | 26 | 图1 |
| VB-32246-W | 31.5 | 965 | 2.40 | 5.99 | 350 | 220 | 430 | 330 | 364 | 600 | 100 | 30 | 192 | 392 | 38 | 图1 |
| VB-40306-W | 40 | 975 | 3.0 | 7.41 | 350 | 220 | 430 | 330 | 364 | 640 | 100 | 30 | 192 | 392 | 38 | 图1 |
| VB-50326-W | 50 | 970 | 3.20 | 7.83 | 350 | 250 | 430 | 330 | 364 | 660 | 100 | 30 | 192 | 392 | 38 | 图1 |
| VB-60376-W | 60 | 975 | 3.70 | 9.02 | 350 | 250 | 430 | 330 | 364 | 700 | 100 | 30 | 192 | 392 | 38 | 图1 |
| VB-75556-W | 75 | 970 | 5.50 | 12.60 | 380 | 125 | 480 | 385 | 454 | 755 | 105 | 35 | 240 | 486 | 38 | 图2 |
| VB-100756-W | 100 | 980 | 7.50 | 17.12 | 440 | 140 | 530 | 450 | 454 | 855 | 125 | 36 | 240 | 486 | 45 | 图2 |
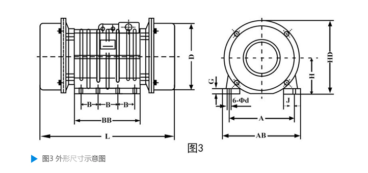
| VB-135906-W | 135 | 980 | 9.0 | 19.2 | 480 | 140 | 570 | 510 | 513 | 920 | 125 | 38 | 265 | 540 | 45 | 图3 |
| VB-1601106-W | 160 | 980 | 11.0 | 23.5 | 480 | 140 | 570 | 510 | 513 | 980 | 125 | 38 | 265 | 540 | 45 | 图3 |
| VB-1801306-W | 180 | 985 | 13.0 | 27.8 | 520 | 140 | 610 | 510 | 564 | 970 | 125 | 38 | 290 | 570 | 45 | 图3 |
| VB-2001506-W | 200 | 985 | 15 | 30.43 | 600 | 140 | 700 | 590 | 586 | 1015 | 125 | 45 | 310 | 603 | 45 | 图3 |
| VB-2201806-W | 220 | 985 | 18 | 37.9 | 600 | 140 | 700 | 565 | 606 | 960 | 170 | 45 | 310 | 635 | 45 | 图3 |
| VB-2401806-W | 240 | 985 | 18 | 37.9 | 600 | 140 | 700 | 565 | 606 | 960 | 170 | 45 | 310 | 635 | 45 | 图3 |
3相8极参数表
|
型号 (Type) |
激振力(kN) |
转速 (r/min) |
功率(KW) | 电流(A) | 外形安装尺寸(mm) | 图号 | ||||||||||
| A | B | AB | BB | D | L | J | G | H | HD | d | ||||||
| VB-50308-W | 50 | 725 | 3.0 | 8.05 | 380 | 125 | 460 | 330 | 384 | 760 | 105 | 35 | 210 | 412 | 38 | 图2 |
| VB-75558-W | 75 | 735 | 5.5 | 15.14 | 440 | 140 | 530 | 450 | 454 | 985 | 125 | 36 | 240 | 486 | 45 | 图2 |
| VB-100758-WB | 100 | 735 | 7.5 | 17.8 | 480 | 140 | 570 | 510 | 513 | 995 | 125 | 38 | 265 | 540 | 45 | 图3 |
| VB-135908-W | 135 | 735 | 9.0 | 21.2 | 480 | 140 | 570 | 510 | 513 | 1105 | 125 | 38 | 265 | 540 | 45 | 图3 |
| VB-1601108-W | 160 | 740 | 11.0 | 25.8 | 520 | 140 | 610 | 510 | 561 | 1070 | 125 | 38 | 290 | 570 | 45 | 图3 |
| VB-2001508-W | 200 | 745 | 15.0 | 33.9 | 600 | 140 | 700 | 590 | 586 | 1135 | 125 | 45 | 310 | 603 | 45 | 图3 |